AP5056SPER芯朋微SOP8/MSOP8 封裝 1A線性鋰電池充電器芯片
4.2V 1A SOP8
4.2V 1A SOP8
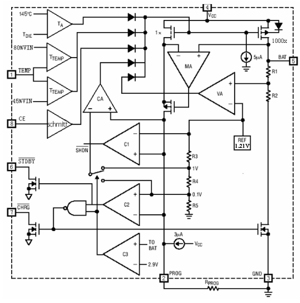
AP5056SPER 是一個完整的單片鋰離子電池恒流/恒壓線性電源管理芯片,其 SOP/MSOP 封裝和極少的外圍元件非常適合應用于便攜式產品,而且 AP5056 專門設計適用于 USB 的供電規格?;趦炔?MOSFET結構,不需要外部感應電阻和隔離二極管,當外部環境溫度過高或在大功率工作時,熱反饋可以調節充電電流以降低芯片溫度。
充電電壓被固定在4.2V,充電電流可通過外部電阻設置。當充電電流在達到最終浮充電壓之后降至設定值 1/10 時,AP5056 將自動終止充電循環。當輸入端(適配器或USB電源)拔掉后,AP5056自動進入低電流狀態,電池漏電流將降到2μA以下。AP5056還可被設置于停機狀態,使電源電流降到50μA。其余特性包括:電池溫度監測,欠壓鎖閉,自動再充電和兩個狀態引腳以顯示充電和充電終止。

高達 1000mA 的可編程充電電流
不需外接 MOSFET, 傳感電阻和隔離二極管
用于單節鋰離子電池、采用 SOP/MSOP 封裝的完整線性充電器
恒定電流/恒定電壓操作,并具有可在無過熱危險的情況下實現充電速率最大化的熱調節功能
直接從 USB 接口管理單節鋰離子電池充電
預設充電電壓 4.2V
用于電池電量檢測的充電電流監控器輸出
自動重新充電
充電狀態雙輸出、無電池和故障狀態顯示
1/10 充電電流終止充電
停止工作狀態電流50uA
2.9V涓流充電閥值電壓
軟啟動限制浪涌電流
電池溫度檢測功能
采用8引腳 SOP8- PP封裝和MSOP8-PP封裝

手機、 PDA、 MP3、MP4
充電器
數碼相機
電子詞典
藍牙、GPS導航儀