在現代電子設備中,LED顯示屏的應用越來越廣泛,從簡單的家用電器到復雜的工業控制設備,都需要可靠的LED驅動控制芯片來實現顯示和交互功能。AIP1638作為一款高性能的LED驅動控制專用電路,憑借其強大的功能和兼容性,逐漸成為市場上的熱門選擇。本文將詳細介紹AIP1638的功能框圖及引腳說明,并探討其如何完美替代TM1638。
AIP1638概述及典型應用線路
AIP1638是由中微愛芯開發的一款帶鍵盤掃描接口的LED驅動專用電路。它集成了鍵盤掃描接口、MCU數字接口、數據鎖存器等電路,主要應用于冰箱、空調、家庭影院等產品的顯示屏驅動控制。AIP1638采用功率CMOS工藝,支持10段×8位的顯示模式,具備8×3bit的鍵掃描功能,以及8級可調的輝度調節電路。此外,它還內置了RC振蕩器(400KHz±5%)和上電復位電路,采用SOP28封裝形式。
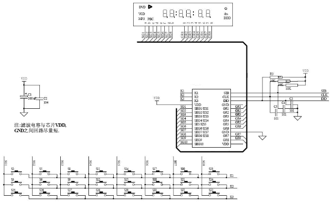
AIP1638典型應用線路


AIP1638簡介
AIP1638主要由以下幾個部分組成:
鍵盤掃描接口:通過K1-K3引腳實現鍵盤掃描數據輸入,能夠檢測按鍵狀態并將其鎖存。
MCU數字接口:包括CLK(時鐘輸入)、DIO(數據輸入/輸出)、STB(片選)等引腳,用于與微控制器進行通信。
數據鎖存器:用于存儲通過串行接口從外部器件傳送到AIP1638的數據,確保數據的穩定性和準確性。
顯示驅動電路:包括SEG1-SEG10和GR1-GR8引腳,用于驅動LED顯示屏。SEG引腳為段輸出,GR引腳為位輸出。
輝度調節電路:通過占空比8級可調的方式,實現對LED顯示屏亮度的調節。
內置RC振蕩器和上電復位電路:提供穩定的時鐘信號和上電復位功能,確保芯片在上電后能夠正常工作。
AIP1638引腳說明
AIP1638的引腳排列圖如下圖所示

以下是AIP1638各引腳的功能說明:
| 引腳 | 符號 | 引腳名稱 | 功能 |
|---|
| 1-3 | K1-K3 | 鍵掃數據輸入 | 輸入該腳的數據在顯示周期結束后被鎖存 |
| 4、15 | VDD | 邏輯電源 | 5V±10% |
| 5-12 | SEG1/KS1-SEG8/KS8 | 輸出(段) | 段輸出(也用作鍵掃描),P管開漏輸出 |
| 13、14 | SEG9、SEG10 | 輸出(段) | 段輸出,P管開漏輸出 |
| 16、17 | GR7、GR8 | 輸出(位) | 位輸出,N管開漏輸出 |
| 18、25 | GND | 邏輯地 | 接系統地 |
| 19-24 | GR1-GR6 | 輸出(位) | 位輸出,N管開漏輸出 |
| 26 | DIO | 數據輸入/輸出 | 在時鐘上升沿輸入/輸出串行數據,從低位開始 |
| 27 | CLK | 時鐘輸入 | 上升沿輸入/輸出串行數據 |
| 28 | STB | 片選 | 在上升或下降沿初始化串行接口,隨后等待接收指令。STB為低后的第一個字節作為指令,當處理指令時,當前其他處理被終止。當STB為高時,CLK被忽略 |
特殊引腳說明

AIP1638如何完美替代TM1638
AIP1638在功能和引腳定義上與TM1638高度兼容,因此可以完美替代TM1638。以下是AIP1638替代TM1638的優勢:
功能兼容性:AIP1638支持與TM1638相同的顯示模式(10段×8位)和鍵掃描功能(8×3bit),并且在輝度調節、串行接口等方面具有相同的功能。
引腳兼容性:AIP1638的引腳定義與TM1638基本一致,包括VDD、GND、CLK、DIO、STB等關鍵引腳的功能和電氣特性都高度相似,因此在硬件設計上可以直接替換。
性能提升:AIP1638在某些性能指標上進行了優化,例如內置RC振蕩器的頻率精度更高(400KHz±5%),能夠提供更穩定的時鐘信號。此外,AIP1638的功耗更低,最大功率損耗為400mW,相比TM1638具有更好的能效比。
成本優勢:由于AIP1638在設計上進行了優化,其生產成本相對較低,能夠為用戶提供更具性價比的選擇。
總結
AIP1638是一款高性能的LED驅動控制專用電路,憑借其強大的功能、兼容性和成本優勢,逐漸成為市場上的熱門選擇。通過詳細的引腳說明和功能框圖,我們可以清晰地了解AIP1638的工作原理和應用方式。AIP1638不僅能夠完美替代TM1638,還在某些性能指標上進行了優化,為用戶提供了一個更可靠、更高效的解決方案。